Os 10 principais fornecedores de válvulas solenoides nos EUA (edição de 2026)
Em 2026, o mercado de válvulas solenoides dos EUA será definido pela Manufa...
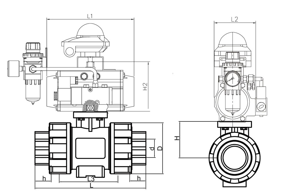
A Válvula Esfera True Union de PVC com acionamento pneumático é um tipo de válvula que usa um atuador pneumático para controlar a posição de uma esfera dentro do corpo da válvula. O mecanismo de válvulas consiste em um sistema de pinhão e cremalheira que é acionado por ar comprimido, proporcionando um controle preciso e eficiente do movimento da esfera. O corpo da válvula é feito de PVC, um material durável e resistente à corrosão que é comumente usado em tratamento de água, processamento químico e outras aplicações industriais. Este tipo de válvula é preferido por sua facilidade de instalação, baixos requisitos de manutenção e desempenho confiável.
Tamanho: DN15 a DN100
Material do corpo: PVC, UPVC, CPVC, PPH, PVDF, selecionados pela sua resistência química e durabilidade.
Conexão: União dupla, com opções de extremidades roscadas, de encaixe ou soldadas para instalação flexível.
Material da vedação: PTFE, que proporciona uma vedação hermética e resistente a produtos químicos.
Temperatura de operação: -20°C a 150°C, adequada para uma variedade de fluidos de processo.
Conexão flangeada: conforme a norma ISO 5211 / DIN 3337 para montagem segura.
Classificação de pressão: PN10/16, ANSI 150, DIN 16, JIS 10K/16K
Meios: Água, ar, gás, petróleo, óleo e líquidos corrosivos em geral.
● Pequena queda de pressão: a válvula de esfera dupla possui estrutura simples e baixo atrito interno, portanto a queda de pressão é relativamente pequena.
● Bom desempenho de vedação: a válvula de esfera dupla adota vedação de esfera, que tem bom desempenho de vedação e pode efetivamente prevenir vazamentos.
● Fácil de operar: o controle duplo torna o torque operacional da válvula de esfera pequeno, fácil de operar e também pode ser controlado remotamente.
● Ampla gama de aplicações: A válvula de esfera Double Youling é adequada para gás, líquido, esgoto e outros meios, e pode lidar com várias condições de trabalho.
● Excelente resistência à corrosão, resistência ao desgaste, resistência a altas temperaturas e resistência a baixas temperaturas.
● A direção de circulação para cima e para baixo não é restrita e a circulação bidirecional pode ser realizada.
● Tamanho pequeno, peso leve, fácil instalação.
|
Não. |
Nome da peça |
Material |
|
|
1 |
Corpo da válvula |
UPVC/CPVC/PPH/PVDF |
|
|
2 |
Anel de vedação da haste |
EPDM/FPM |
|
|
3 |
Tronco |
Haste em PVDF com metade do aço inoxidável 304 embutido. |
|
|
4 |
Anel de vedação da haste |
EPDM/FPM |
|
|
5 |
Sede da válvula |
PTFE |
|
|
6 |
Bola |
UPVC/CPVC/PPH/PVDF |
|
|
7 |
Anel de vedação |
EPDM/FPM |
|
|
8 |
Operadora |
UPVC/CPVC/PPH/PVDF |
|
|
9 |
Fim |
UPVC/CPVC/PPH/PVDF |
|
|
10 |
União |
UPVC/CPVC/PPH/PVDF |
|
|
11 |
Válvula Solenoide |
Liga de alumínio |
|
|
12 |
Atuador pneumático |
Liga de alumínio |
|
|
13 |
Filtro de ar |
Liga de alumínio + PC |
|
|
14 |
Caixa do interruptor de limite |
Liga de alumínio |

|
DN |
EM |
L1 |
L2 |
H2 |
D |
d |
H |
h (Fio) |
h (Soquete) |
L |
Nível 3 |
Modelo do atuador |
|
15 |
1/2" |
122,5/153,7 |
65/72,5 |
79,8/92,3 |
50,5 |
12,8 |
35,5 |
16 |
22,5 |
120 |
66 |
HPA040DA/HPA052SR |
|
20 |
3/4" |
122,5/153,7 |
65/72,5 |
79,8/92,3 |
62,5 |
19 |
43,7 |
18 |
25 |
133 |
72 |
HPA040DA/HPA052SR |
|
25 |
1" |
153,7/172,4 |
72,5/83 |
92,3/110,7 |
69 |
24,5 |
49,6 |
22 |
27,5 |
150 |
80 |
HPA052DA/HPA063SR |
|
32 |
1 1/4" |
172,4/188,3 |
83/95,5 |
110,7/121 |
82,5 |
30 |
56,5 |
25 |
31 |
165 |
90 |
HPA063DA/HPA075SR |
|
40 |
1 1/2" |
188,3/215 |
95,5/103,5 |
121/128 |
99 |
38 |
64,5 |
27 |
34,5 |
178 |
94 |
HPA075DA/HPA083SR |
|
50 |
2" |
215/248,5 |
103,5/108 |
121/136,2 |
122,5 |
49 |
76,5 |
31 |
39 |
205 |
113 |
HPA083DA/HPA092SR |
|
65 |
2 1/2" |
248,5/277,5 |
108/121,5 |
136,2/154,5 |
150 |
64 |
90 |
38 |
44,5 |
234 |
120,6 |
HPA092DA/HPA105SR |
|
80 |
3" |
277,5/358,3 |
121,5/142 |
154,5/187,6 |
178,2 |
79 |
110 |
43 |
49 |
259 |
138,5 |
HPA105DA/HPA125SR |
|
100 |
4" |
358,3/403,6 |
142/151 |
187,6/204,7 |
218,5 |
99 |
124 |
57 |
63,5 |
311 |
163,5 |
HPA125DA/HPA140SR |




2026
/
Em 2026, o mercado de válvulas solenoides dos EUA será definido pela Manufa...
2026
/
A escolha da válvula correta é vital para a eficiência do sistema. Uma esco...
2026
/
Uma válvula solenoide é um interruptor eletromecânico usado para controlar ...
2026
/
O cenário do controle de fluidos está mudando rapidamente. Na era da Intern...

MENSAGEM