Cómo seleccionar la válvula neumática de asiento angular adecuada: una guía completa para el comprador
Elegir una válvula neumática de asiento inclinado no debería ser una tarea ...
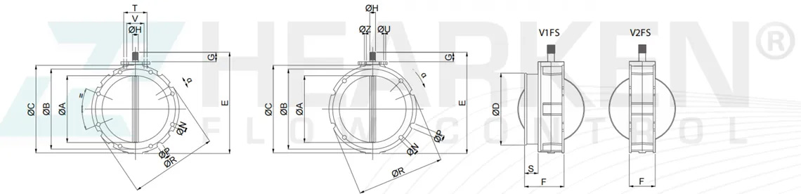
Las válvulas de mariposa V1FS/V2FS Fit-Frame se pueden instalar debajo de tolvas, contenedores, silos, transportadores de tornillo o de otro tipo, o para interceptar conductos de transporte neumático. Debido a su diseño especial, los residuos de material entre la válvula y el dispositivo de alimentación aguas abajo se reducen drásticamente. Esta gama de válvulas cumple con el Reglamento (CE) n.º 1935/2004 sobre materiales y objetos destinados a entrar en contacto con alimentos.
Las válvulas de mariposa V1FS/V2FS Fit-Frame se pueden instalar debajo de tolvas, contenedores, silos, transportadores de tornillo o de otro tipo, o para interceptar conductos de transporte neumático. Debido a su diseño especial, los residuos de material entre la válvula y el dispositivo de alimentación aguas abajo se reducen drásticamente. Esta gama de válvulas cumple con el Reglamento (CE) n.º 1935/2004 sobre materiales y objetos destinados a entrar en contacto con alimentos.

| Tipo |
∅A
|
∅B
|
∅C
|
∅D
|
E
|
F | G |
∅ H
DIN5482
|
Perforación N
|
P Ranuras externas
|
∅R
|
α
|
S | T | U | V | Z | Kr |
|
V1FS 100.
|
95 | 180 | 220 | 105 | 250 | 115 | 35 |
22×19
|
4×∅ 14
|
4×∅ 20
|
220
|
22°30′
|
40
|
80 |
M12
|
50 |
M10
|
4 |
|
V1FS 150.
|
150 | 200 | 228 |
163
|
290 | 115 | 35 |
22×19
|
4×∅ 14
|
4×∅ 20 | 228 |
22°30′
|
40 | 80 |
M12
|
50 | M10 | 5 |
|
V1FS 200.
|
200 |
250
|
278 | 213 | 340 | 115 | 35 |
22×19
|
4×∅ 14
|
4×∅ 20 | 278 |
22°30
|
40
|
80 |
M12
|
50 | M10 | 6.5 |
|
V1FS 250
|
250 | 300 | 328 | 263 | 390 | 115 | 35 |
22×19
|
8×∅ 14
|
8×∅ 20
|
325 |
11°15′
|
40
|
80 |
M12
|
50 | M10 | 7.5 |
|
V1FS 300.
|
300 | 350 | 378 | 313 | 440 | 115 | 35 |
22×19
|
8×∅ 14
|
16×∅ 20
|
375 |
5°41′
|
40
|
80 |
M12
|
50 | M10 | 9 |
|
V1FS 350.
|
350 | 400 | 440 | 363 | 530 | 123 | 50 |
28×25
|
8×∅ 14
|
8×∅ 20
|
440 |
10°
|
40
|
80 |
M12
|
- | - | 16 |
|
V1FS 400.
|
400 | 470 | 530 | 413 | 580 | 123 | 50 |
28×25
|
8×∅ 14
|
16×∅ 20
|
530 |
4°30
|
40
|
80 |
M12
|
- | - | 20.5 |
| Tipo |
∅A
|
∅B
|
∅C
|
E
|
F | G |
∅ H
DIN5482
|
Perforación N
|
P Ranuras externas
|
∅R
|
α
|
T | U | V | Z | Kr |
|
V1FS 100.
|
95 | 180 | 220 | 250 | 77 | 35 |
22×19
|
4×∅ 14
|
4×∅ 20
|
220
|
22°30′
|
80 |
M12
|
50 |
M10
|
4 |
|
V1FS 150.
|
150 | 200 | 228 | 290 | 77 | 35 |
22×19
|
4×∅ 14
|
4×∅ 20 | 228 |
22°30′
|
80 |
M12
|
50 | M10 | 5 |
|
V1FS 200.
|
200 |
250
|
278 | 340 | 77 | 35 |
22×19
|
4×∅ 14
|
4×∅ 20 | 278 |
22°30
|
80 |
M12
|
50 | M10 | 6.5 |
|
V1FS 250
|
250 | 300 | 328 | 390 | 77 | 35 |
22×19
|
8×∅ 14
|
8×∅ 20
|
325 |
11°15′
|
80 |
M12
|
50 | M10 | 7.5 |
|
V1FS 300.
|
300 | 350 | 378 | 440 | 77 | 35 |
22×19
|
8×∅ 14
|
16×∅ 20
|
375 |
5°41′
|
80 |
M12
|
50 | M10 | 9 |
|
V1FS 350.
|
350 | 400 | 440 | 530 | 85 | 50 |
28×25
|
8×∅ 14
|
8×∅ 20
|
440 |
10°
|
80 |
M12
|
- | - | 16 |
|
V1FS 400.
|
400 | 470 | 530 | 580 | 85 | 50 |
28×25
|
8×∅ 14
|
16×∅ 20
|
530 |
4°30
|
80 |
M12
|
- | - | 20.5 |




2026
/
Elegir una válvula neumática de asiento inclinado no debería ser una tarea ...
2026
/
Con 15 años de experiencia en fabricación y comercio global, Hearken ofrece...
2026
/
En 2026, el mercado estadounidense de válvulas solenoides estará definido p...
2026
/
Elegir la válvula correcta es vital para la eficiencia del sistema. Una ele...

MENSAJE