Cómo seleccionar la válvula neumática de asiento angular adecuada: una guía completa para el comprador
Elegir una válvula neumática de asiento inclinado no debería ser una tarea ...
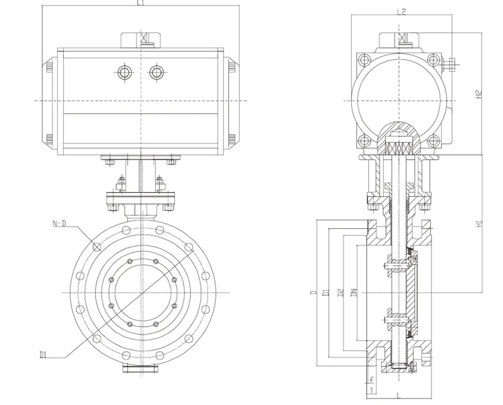
Tamaño: DN50 a DN400
Material del cuerpo: SS304, SS316, acero al carbono
Material del disco: SS304, SS316
Material del sello: sello duro de metal
Temperatura de trabajo: -29°C a 425°C
Conexión: ISO 5211 / DIN 3337 bridada
Clasificación de presión: PN10/16, ANSI 150, DIN 16, JIS 10K/16K
Medios: agua, aire, gas, petróleo, aceite y líquidos en general.
Clase de protección: IP67 resistente a la intemperie
|
No. |
Nombre de la pieza |
Material |
|
|
1 |
Tornillo de cabeza hexagonal |
Acero inoxidable |
|
|
2 |
Capó de válvula |
Acero al carbono/acero inoxidable |
|
|
3 |
Empaquetadora |
Acero inoxidable |
|
|
4 |
Asiento de válvula |
Acero inoxidable + grafito, PTFE |
|
|
5 |
Empaquetadora |
Acero inoxidable |
|
|
6 |
Disco de válvula |
Acero al carbono/acero inoxidable |
|
|
7 |
Alfiler recto |
Acero/acero inoxidable 45# |
|
|
8 |
Cubierta inferior |
Acero al carbono/acero inoxidable |
|
|
9 |
Empaquetadora |
Acero inoxidable + grafito, PTFE |
|
|
10 |
Cojinete |
Cojinetes compuestos de PTFE |
|
|
11 |
Cuerpo de la válvula |
Acero al carbono/acero inoxidable |
|
|
12 |
Vástago de válvula |
Acero inoxidable |
|
|
13 |
Soporte de conexión |
Acero carbono |
|
|
14 |
Cojinete |
Cojinetes compuestos de PTFE |
|
|
15 |
Embalaje |
PTFE/Grafito flexible |
|
|
16 |
Glándula |
Acero al carbono/acero inoxidable |
|
|
17 |
Válvula solenoide |
Aleación de aluminio |
|
|
18 |
Actuador neumático |
Aleación de aluminio |
|
|
19 |
Filtro de aire |
Aleación de aluminio + policarbonato |
|
|
20 |
Caja de interruptores de límite |
Aleación de aluminio |

|
DN |
EN |
L |
L1 |
L2 |
H2 |
D |
D1 |
D2 |
T |
F |
DAKOTA DEL NORTE |
Modelo de actuador |
|
50 |
2" |
108 |
215/248.5 |
103.5/108 |
121/136.2 |
165 |
125 |
102 |
18 |
3 |
4-18 |
HPA083DA/HPA092SR |
|
65 |
2 1/2" |
112 |
248,5/277,5 |
108/121.5 |
136,2/154,5 |
185 |
145 |
122 |
18 |
3 |
8-18 |
HPA092DA/HPA105SR |
|
80 |
3" |
114 |
277.5/277.5 |
121.5/121.5 |
154.5/154.5 |
200 |
160 |
138 |
20 |
3 |
8-18 |
HPA105DAHPA105SR |
|
100 |
4" |
127 |
358.3/358.3 |
142/142 |
187.6/187.6 |
220 |
180 |
158 |
20 |
3 |
8-18 |
HPA125DA/HPA125SR |
|
125 |
5" |
140 |
358,3/403,6 |
142/151 |
187,6/204,7 |
250 |
210 |
188 |
Veintidós |
3 |
8-18 |
HPA125DA/HPA140SR |
|
150 |
6" |
140 |
403,6/468,4 |
151/174 |
204.7/230 |
285 |
240 |
212 |
Veintidós |
3 |
8-22 |
HPA140DA/HPA160SR |
|
200 |
8" |
152 |
468,4/523,5 |
174/206 |
230/262 |
340 |
295 |
268 |
veinticuatro |
3 |
8-22/12-22 |
HPA160DA/HPA190SR |
|
250 |
10" |
165 |
523.5/539 |
206/226 |
262/287.6 |
395/405 |
350/355 |
320 |
26 |
3 |
22-12/26-12 |
HPA190DA/HPA210SR |
|
300 |
12" |
178 |
539/605.8 |
226/260 |
287,6/319,5 |
445/460 |
400/410 |
378 |
28 |
4 |
22-12/26-12 |
HPA210DA/HPA240SR |
|
350 |
14" |
190 |
605.8/719 |
260/294 |
319.5/365 |
505/520 |
460/470 |
438 |
30 |
4 |
16-22/16-26 |
HPA240DA/HPA270SR |
|
400 |
16" |
216 |
719/785 |
294/404 |
365/391 |
565/580 |
515/525 |
490 |
32 |
4 |
16-26/16-30 |
HPA270DA/HPA300SR |
|
450 |
18" |
222 |
785/920 |
404/457 |
391/440 |
615/640 |
565/585 |
550 |
40 |
4 |
20-26/20-30 |
HPA300DA/HPA350SR |
|
500 |
20" |
229 |
920/930 |
457/520 |
440/493 |
670/715 |
620/650 |
610 |
44 |
4 |
20-26/20-33 |
HPA350DA/HPA350SR |




2026
/
Elegir una válvula neumática de asiento inclinado no debería ser una tarea ...
2026
/
Con 15 años de experiencia en fabricación y comercio global, Hearken ofrece...
2026
/
En 2026, el mercado estadounidense de válvulas solenoides estará definido p...
2026
/
Elegir la válvula correcta es vital para la eficiencia del sistema. Una ele...

MENSAJE