Cómo seleccionar la válvula neumática de asiento angular adecuada: una guía completa para el comprador
Elegir una válvula neumática de asiento inclinado no debería ser una tarea ...
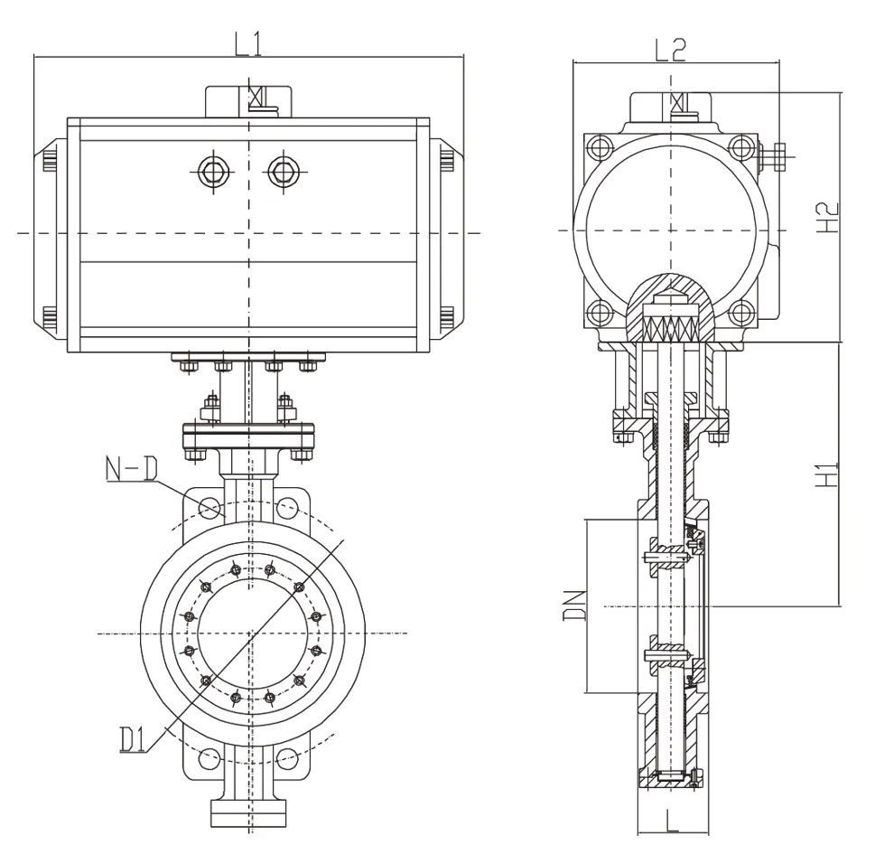
Tamaño: DN50 a DN400
Material del cuerpo: SS304, SS316, acero al carbono
Material del disco: SS304, SS316
Material del sello: sello duro de metal
Temperatura de trabajo: -29°C a 425°C
Conexión: ISO 5211 / DIN 3337 tipo wafer
Clasificación de presión: PN10/16, ANSI 150, DIN 16, JIS 10K/16K
Medios: agua, aire, gas, petróleo, aceite y líquidos en general.
Clase de protección: IP67 resistente a la intemperie

|
DN |
EN |
L |
L1 |
L2 |
H2 |
D1 |
DAKOTA DEL NORTE |
Modelo de actuador |
|
50 |
2" |
43 |
215/248.5 |
103.5/108 |
121/136.2 |
125 |
4-18 |
HPA083DA/HPA092SR |
|
65 |
2 1/2" |
46 |
248,5/277,5 |
108/121.5 |
136,2/154,5 |
145 |
8-18 |
HPA092DA/HPA105SR |
|
80 |
3" |
49 |
277.5/277.5 |
121.5/121.5 |
154.5/154.5 |
160 |
8-18 |
HPA105DA/HPA105SR |
|
100 |
4" |
56 |
358.3/358.3 |
142/142 |
187.6/187.6 |
180 |
8-18 |
HPA125DA/HPA125SR |
|
125 |
5" |
64 |
358,3/403,6 |
142/151 |
187,6/204,7 |
210 |
8-18 |
HPA125DA/HPA140SR |
|
150 |
6" |
70 |
403,6/468,4 |
151/174 |
204.7/230 |
240 |
8-22 |
HPA140DA/HPA160SR |
|
200 |
8" |
71 |
468,4/523,5 |
174/206 |
230/262 |
295 |
8-22/12-22 |
HPA160DA/HPA190SR |
|
250 |
10" |
76 |
523.5/539 |
206/226 |
262/287.6 |
350/355 |
22-12/26-12 |
HPA190DA/HPA210SR |
|
300 |
12" |
83 |
539/605.8 |
226/260 |
287,6/319,5 |
400/410 |
22-12/26-12 |
HPA210DA/HPA240SR |
|
350 |
14" |
92 |
605.8/719 |
260/294 |
319.5/365 |
460/470 |
16-22/16-26 |
HPA240DA/HPA270SR |
|
400 |
16" |
102 |
719/785 |
294/404 |
365/391 |
515/525 |
16-26/16-30 |
HPA270DA/HPA300SR |




2026
/
Elegir una válvula neumática de asiento inclinado no debería ser una tarea ...
2026
/
Con 15 años de experiencia en fabricación y comercio global, Hearken ofrece...
2026
/
En 2026, el mercado estadounidense de válvulas solenoides estará definido p...
2026
/
Elegir la válvula correcta es vital para la eficiencia del sistema. Una ele...

MENSAJE