Cómo seleccionar la válvula neumática de asiento angular adecuada: una guía completa para el comprador
Elegir una válvula neumática de asiento inclinado no debería ser una tarea ...
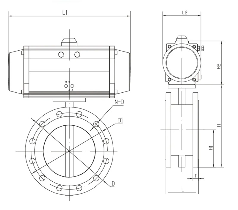
Tamaño: DN50 a DN600
Material del cuerpo: fundición revestida de epoxi, hierro dúctil, SS304, SS316, WCB, aleación de aluminio
Material del disco: SS304, SS316, WCB, bronce de aluminio, nailon, hierro dúctil
Material de sellado: EPDM, PTFE, NBR, VITON para compatibilidad química personalizada
Temperatura de trabajo: -25°C a 150°C
Conexión: ISO 5211 / DIN 3337 bridada
Clasificación de presión: PN10/16, ANSI 150, DIN 16, JIS 10K/16K
Medios: líquidos, gases, fluidos corrosivos y líquidos peligrosos.
Clase de protección: IP67 resistente a la intemperie

|
DN |
EN |
L |
H |
H1 |
L1 |
L2 |
H2 |
D |
D1 |
DAKOTA DEL NORTE |
Modelo de actuador |
|
50 |
2" |
108 |
200 |
80 |
153,7/188,3 |
72,5/95,5 |
92.3/121 |
165 |
125 |
4-18 |
HPA052DA/HPA063SR |
|
65 |
2 1/2" |
112 |
219 |
89 |
172.4/215 |
83/103.5 |
110.7/128 |
185 |
145 |
8-18 |
HPA063DA/HPA083SR |
|
80 |
3" |
114 |
240 |
95 |
188,3/248,5 |
95.5/108 |
120/136.2 |
200 |
160 |
8-18 |
HPA075DA/HPA092SR |
|
100 |
4" |
127 |
270 |
114 |
215/248.5 |
103.5/108 |
121/136.2 |
220 |
180 |
8-18 |
HPA083DA/HPA105SR |
|
125 |
5" |
140 |
295 |
125 |
248,5/277,5 |
108/121.5 |
136,2/154,5 |
250 |
210 |
8-18 |
HPA092DA/HPA105SR |
|
150 |
6" |
140 |
330 |
142 |
277,5/358,3 |
121.5/142 |
154,5/187,6 |
285 |
240 |
8-22 |
HPA105DA/HPA125SR |
|
200 |
8" |
152 |
375 |
170 |
358,3/403,6 |
142/151 |
187,6/204,7 |
340 |
295 |
8-22/12-22 |
HPA125DA/HPA140SR |
|
250 |
10" |
165 |
433 |
198 |
403,6/468,4 |
151/174 |
204.7/230 |
395/405 |
350 |
22-12/26-12 |
HPA140DA/HPA160SR |
|
300 |
12" |
178 |
503 |
223 |
468,4/523,5 |
174/206 |
230/262 |
445/460 |
400/410 |
22-12/26-12 |
HPA160DA/HPA190SR |
|
350 |
14" |
190 |
590 |
260 |
523.5/539 |
206/226 |
262/287.6 |
505/520 |
460/470 |
16-22/16-26 |
HPA190DA/HPA210SR |
|
400 |
16" |
216 |
660 |
290 |
539/605.8 |
226/260 |
287,6/319,5 |
565/580 |
515/525 |
16-26/16-30 |
HPA210DA/HPA240SR |
|
450 |
18" |
222 |
720 |
320 |
605.8/719 |
260/294 |
319.5/365 |
615/640 |
565/585 |
20-16/20-30 |
HPA240DA/HPA270SR |
|
500 |
20" |
229 |
900 |
400 |
605.8/719 |
260/294 |
319.5/365 |
670/715 |
620/650 |
20-26/20-33 |
HPA240DA/HPA270SR |
|
600 |
veinticuatro" |
267 |
1027 |
457 |
719/785 |
294/404 |
365/391 |
780/840 |
725/770 |
20-30/20-36 |
HPA270DA/HPA300SR |




2026
/
Elegir una válvula neumática de asiento inclinado no debería ser una tarea ...
2026
/
Con 15 años de experiencia en fabricación y comercio global, Hearken ofrece...
2026
/
En 2026, el mercado estadounidense de válvulas solenoides estará definido p...
2026
/
Elegir la válvula correcta es vital para la eficiencia del sistema. Una ele...

MENSAJE