Os 10 principais fornecedores de válvulas solenoides nos EUA (edição de 2026)
Em 2026, o mercado de válvulas solenoides dos EUA será definido pela Manufa...
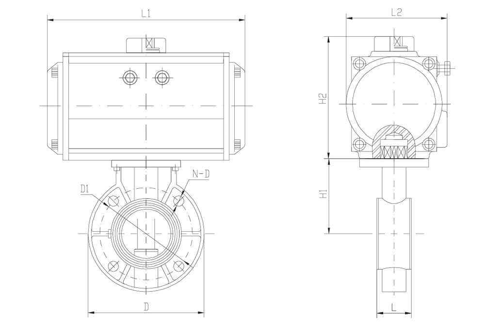
A válvula acionada pneumática de borboleta de PVC tem as vantagens de estrutura simples, vedação confiável, abertura leve, longa vida útil e manutenção conveniente. Portanto, é amplamente utilizado em várias tubulações de abastecimento de água e drenagem, proteção contra incêndio em edifícios, etc., especialmente em tubulações de proteção contra incêndio.
|
Não. |
Nome da peça |
Material |
|
|
1 |
Sede da válvula |
EPDM/FPM |
|
|
2 |
Disco da válvula |
UPVC/CPVC/PPH |
|
|
3 |
Corpo da válvula |
UPVC/CPVC/PPH |
|
|
4 |
Haste da válvula |
410/SS304/SS316 |
|
|
5 |
Anel de vedação |
EPDM/FPM |
|
|
6 |
Válvula Solenoide |
Liga de alumínio |
|
|
7 |
Atuador pneumático |
Liga de alumínio |
|
|
8 |
Filtro de ar |
Liga de alumínio + policarbonato |
|
|
9 |
Caixa do interruptor de limite |
Liga de alumínio |

|
DN |
EM |
L |
L1 |
L2 |
H2 |
D |
D1 |
ND |
Modelo do atuador |
|
50 |
2'' |
44,5 |
153,7/188,3 |
72,5/95,5 |
92,3/121 |
160,4 |
123 |
4-20 |
HPA052DA/HPA075SR |
|
65 |
2 - 1/2'' |
48 |
172,4/215 |
83/103,5 |
110,7/128 |
185,8 |
143 |
4-21 |
HPA063DA/HPA083SR |
|
80 |
3 polegadas |
53 |
172,4/215 |
83/103,5 |
110,7/128 |
198,5 |
157 |
4/8-21 |
HPA063DA/HPA083SR |
|
100 |
4 polegadas |
57 |
188,3/248,5 |
95,5/108 |
120/136,2 |
234 |
186 |
8-21 |
HPA075DA/HPA092SR |
|
125 |
5 polegadas |
68 |
215/277,5 |
103,5/121,5 |
128/154,5 |
257 |
213 |
8-24 |
HPA083DA/HPA105SR |
|
150 |
6 polegadas |
73 |
248,5/358,3 |
108/142 |
136,2/187,6 |
283 |
240 |
8-24 |
HPA092DA/HPA125SR |
|
200 |
8 polegadas |
92 |
277,5/358,3 |
121,5/142 |
154,5/187,6 |
340,3 |
296 |
8/12-24 |
HPA105DA/HPA125SR |




2026
/
Em 2026, o mercado de válvulas solenoides dos EUA será definido pela Manufa...
2026
/
A escolha da válvula correta é vital para a eficiência do sistema. Uma esco...
2026
/
Uma válvula solenoide é um interruptor eletromecânico usado para controlar ...
2026
/
O cenário do controle de fluidos está mudando rapidamente. Na era da Intern...

MENSAGEM