Os 10 principais fornecedores de válvulas solenoides nos EUA (edição de 2026)
Em 2026, o mercado de válvulas solenoides dos EUA será definido pela Manufa...
A válvula borboleta pneumática de ferro fundido é composta de atuador pneumático e válvula borboleta. A válvula borboleta pneumática é uma válvula pneumática que usa uma placa borboleta circular que gira com a haste da válvula para abrir e fechar para realizar a ação de ativação. É utilizada principalmente como válvula de fechamento, podendo também ser projetada para ter a função de ajustar ou fechar e ajustar.
A válvula borboleta de linha central acionada pneumática é um tipo de válvula que usa ar comprimido para abrir e fechar uma válvula em forma de disco em uma linha de fluxo de fluido. A válvula é normalmente usada para regular o fluxo de líquidos e gases. A válvula é operada usando um atuador, que é um dispositivo acionado pneumaticamente que é ativado por um controlador. O controlador pode ser mecânico ou eletrônico, dependendo das necessidades específicas da aplicação. A válvula pode ser aberta e fechada manualmente ou automaticamente, dependendo dos requisitos do sistema. A válvula borboleta de linha central é geralmente usada em aplicações onde é necessário um fechamento hermético ou quando o fluxo bidirecional precisa ser regulado.
• O design é inovador, razoável, estrutura única, leve e rápido.
• Pequeno momento de operação, operação conveniente e manutenção conveniente.
• Pode ser instalado em qualquer posição e conveniente para manutenção.
• As peças de vedação podem ser substituídas, o desempenho da vedação é confiável e a vedação bidirecional não apresenta vazamentos.
• O material de vedação é resistente ao envelhecimento, resistência à corrosão e longa vida útil.
• A estrutura é simples, o intercâmbio universal é bom e o preço é baixo.
• A vedação da haste não é fácil de deformar para evitar o vazamento normal da haste. O suporte geral é bom, estável e firme.
• Assente o consumo de borracha, expanda o impacto potencial do pequeno, fácil de controlar os valores de torque dentro do escopo dos USOS apropriados tipo conexão de haste de duas peças sem pino, estrutura simples e compacta, conveniente na desmontagem para manutenção.
• A placa borboleta tem função de alinhamento automático, e a placa borboleta e o assento pequeno se ajustam ao tamanho grande. O assento traseiro fenólico tem as características de não derramamento, tração, vazamento e substituição conveniente. Como a tampa hermética do assento é parte integrante do encosto, a deformação do assento é reduzida.
Padrão de design: GB/T12238-2008、GB/T3036-94、S010631-1994 ou BS EN593-2004、BS5155、MSSSP-67、AP1609 GOST-12815、CNSI2744、MSSSP-67-2002、GB/T3036 -94、AWWAC504 -2000GB/T17241.6-2008、JIS B2212-B2214-1999、DIN 2501、JIS B2220-2004、JIS 2210-1984、BS 4504
Conexão de flange: BS10-E, ANS-16.5-2009, ANSI B 16,47-2006, AS2129, ANSI 1259, SO7005-2 ou BS EN1092-2002 Gb9112, IS02084, ISO2531 GOST12820-80, HG/ T20623/20615/20592(PN6 、 PN10、 PN16Class125、Class150、5K、10K、16K)
Comprimento estrutural: GB/T12221-2005、JIS B2032-2013、ISO5752-1988 ou BS EN558-1
Teste de pressão: GB/T13927-2008、JB/T9092-1999、S0528-1993 ou BS 5755-1-1986、 AP1598-2004、 EN12266-1.JB/T3595-93
Flange superior: ISO5211
|
Tipo Operado |
Válvula Borboleta Tipo Wafer de Atuador Pneumático * Montagem ISO5211 |
|
Tamanho |
DN50 a DN1200 |
|
Material do corpo |
Elenco revestido com epóxi, ferro dúctil, SS304/SS316, WCB, liga de alumínio, |
|
Material do disco: |
SS304/SS316, Bronze Alumínio, Nylon, Ferro dúctil |
|
Material de vedação e temperatura de trabalho |
EPDM: -15~85°C PTFE: -25~150°C NBR: -15~85°C VITON: -25~200°C |
|
padrão de conexão |
PN10/PN16, ANSI150, DIN16, JIS10K/16K |
|
Classificação de pressão |
PN6/PN10/PN16 |
|
Médio |
Água, óleo, gás, pó |
|
Modelo do atuador |
Atuador pneumático de um quarto de volta da série HPA |
|
Modelo |
Bolacha Borboleta Tamanho da Válvula |
Torque @ 4Bar |
Torque @ 5Bar |
Quadrado |
Profundidade |
Mesa Tamanho |
Operativo Tempo(s) |
Adaptador Tamanho |
DA Peso (Kgs) |
Peso SR (Kgs) |
||
|
DA |
SR |
DA |
SR |
|||||||||
|
HPA052 |
DN50 |
16.1 |
7.2 |
20.2 |
11.3 |
11*11 |
14 |
F03/F05 |
0,5 |
11-9 |
1.4 |
1,5 |
|
HPA063 |
DN65 |
28.4 |
14 |
35,5 |
21.1 |
14*14 |
18 |
F05/F07 |
0,5 |
14-11-9 |
2 |
2.1 |
|
HPA075 |
DN80 |
40.3 |
18.1 |
50.3 |
28.1 |
14*14 |
18 |
F05/F07 |
1,5 |
14-11-9 |
2.7 |
2.9 |
|
HPA083 |
DN100 |
61,6 |
28.3 |
77.1 |
43,8 |
17*17 |
21 |
F05/F07 |
1,5 |
17-14-11 |
3.1 |
3.6 |
|
HPA092 |
DN125 |
90,9 |
41 |
113.6 |
64 |
17*17 |
21 |
F05/F07 |
2 |
17-14 |
4.6 |
5.2 |
|
HPA105 |
DN150 |
131,6 |
65 |
164,4 |
97 |
22*22 |
26 |
F07/F10 |
2 |
22-17-14 |
6.8 |
6.9 |
|
HPA125 |
DN200 |
205 |
94 |
256 |
145 |
22*22 |
26 |
F07/F10 |
2.5 |
22-17-14 |
8.9 |
10.1 |
|
HPA140 |
DN250 |
351 |
170 |
439 |
258 |
27*27 |
31 |
F10/F12 |
4 |
27-22 |
13 |
15 |
|
HPA160 |
DN300 |
535 |
241 |
668 |
374 |
27*27 |
31 |
F10/F12 |
5 |
27-22 |
20 |
24 |
|
HPA190 |
DN350 |
861 |
440 |
1077 |
656 |
36*36 |
40 |
F14 |
5 |
36-27 |
31 |
35 |
|
HPA210 |
DN400 |
1052 |
473 |
1316 |
737 |
36*36 |
40 |
F14 |
7 |
36-27 |
47 |
55 |
|
HPA240 |
DN450 |
1546 |
682 |
1933 |
1069 |
46*46 |
50 |
F16 |
10 |
46-36 |
67 |
80 |
|
HPA270 |
DN500 |
2349 |
1171 |
2936 |
1758 |
46*46 |
50 |
F16 |
10 |
46-36 |
97 |
118 |
|
HPA300 |
DN600 |
3052 |
1430 |
3815 |
2193 |
46*46 |
50 |
F16 |
|
46-36 |
110 |
130 |
|
HPA350 |
DN700 |
4570 |
1963 |
5712 |
3105 |
46*46 |
50 |
F16/F25 |
|
46-36 |
186 |
234 |
|
HPA400 |
DN800 |
6511 |
3595 |
8139 |
5223 |
46*46 |
50 |
F16/F25 |
|
46-36 |
289 |
360 |
|
Não. |
Nome da peça |
Material |
|
|
1 |
Sede da válvula |
Borracha/NBR/EPDM/PTFE |
|
|
2 |
Disco da válvula |
Aço carbono/Aço inoxidável |
|
|
3 |
Corpo da válvula |
Ferro fundido/Aço carbono/Aço inoxidável |
|
|
4 |
Haste da válvula |
Aço 45#/2Cr13/Aço Inoxidável |
|
|
5 |
Vedação |
Borracha/Viton/PTFE |
|
|
6 |
Casquilho |
Mancais de compósito de PTFE |
|
|
7 |
Anel de posição da haste |
PTFE/PEEK/Aço Inoxidável |
|
|
8 |
anel de retenção |
Aço inoxidável |
|
|
9 |
Válvula Solenoide |
Liga de alumínio |
|
|
10 |
Atuador pneumático |
Liga de alumínio |
|
|
11 |
Filtro de ar |
Liga de alumínio + policarbonato |
|
|
12 |
Caixa do interruptor de limite |
Liga de alumínio |

|
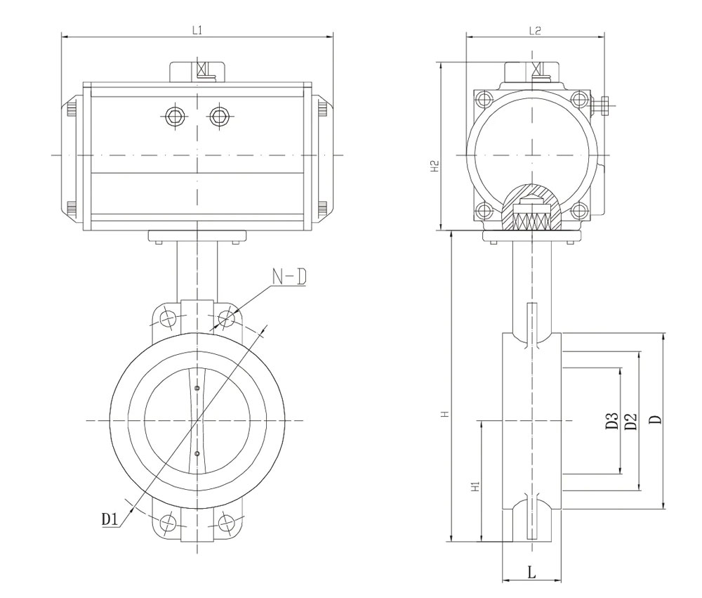
DN |
EM |
L |
H |
H1 |
L1 |
L2 |
H2 |
D |
D1 |
D2 |
ND |
Modelo do atuador |
|
40 |
1 1/2" |
33 |
147 |
53 |
153,7/188,3 |
72,5/95,5 |
92,3/121 |
80 |
110 |
68 |
4-16 |
HPA052DA/HPA075SR |
|
50 |
2" |
42 |
195 |
55 |
153,7/188,3 |
72,5/95,5 |
92,3/121 |
95 |
125 |
82 |
4-16 |
HPA052DA/HPA075SR |
|
65 |
2 1/2" |
44 |
217 |
64 |
172,4/215 |
83/103,5 |
110,7/128 |
114 |
145 |
97 |
8-16 |
HPA063DA/HPA083SR |
|
80 |
3" |
44 |
232 |
73 |
188,3/248,5 |
95,5/108 |
120/136,2 |
126 |
160 |
113 |
8-16 |
HPA075DA/HPA092SR |
|
100 |
4" |
50 |
270 |
88 |
215/248,5 |
103,5/108 |
121/136,2 |
154 |
180 |
139 |
8-16 |
HPA083DA/HPA092SR |
|
125 |
5" |
56 |
292 |
102 |
248,5/277,5 |
108/121,5 |
136,2/154,5 |
180 |
210 |
163 |
8-16 |
HPA092DA/HPA105SR |
|
150 |
6" |
56 |
318 |
115 |
277,5/358,3 |
121,5/142 |
154,5/187,6 |
206 |
240 |
195 |
8-20 |
HPA105DA/HPA125SR |
|
200 |
8" |
60 |
390 |
149 |
358,3/403,6 |
142/151 |
187,6/204,7 |
264 |
295 |
250 |
8-20/12-20 |
HPA125DA/HPA140SR |
|
250 |
10" |
68 |
457 |
184 |
403,6/468,4 |
151/174 |
204,7/230 |
320 |
350/355 |
305 |
12-20/12-24 |
HPA140DA/HPA160SR |
|
300 |
12" |
78 |
518 |
207 |
468,4/523,5 |
174/206 |
230/262 |
370 |
400/410 |
352 |
12-20/12-24 |
HPA160DA/HPA190SR |
|
350 |
14" |
78 |
610 |
247 |
523,5/539 |
206/226 |
262/287,6 |
430 |
460/470 |
405 |
16-20/16-24 |
HPA190DA/HPA210SR |
|
400 |
16" |
102 |
650 |
275 |
539/605,8 |
226/260 |
287,6/319,5 |
480 |
515/525 |
455 |
16-24/16-27 |
HPA210DA/HPA240SR |
|
450 |
18" |
114 |
713 |
307 |
605.8/719 |
260/294 |
319,5/365 |
550 |
565/585 |
515 |
20-24/20-27 |
HPA240DA/HPA270SR |
|
500 |
20" |
127 |
768 |
330 |
605.8/719 |
260/294 |
319,5/365 |
590 |
620/650 |
565 |
20-24/20-30 |
HPA240DA/HPA270SR |
|
600 |
24" |
151 |
919 |
400 |
719/785 |
294/404 |
365/391 |
695 |
725/770 |
674 |
20-27/20-33 |
HPA270DA/HPA300SR |




2026
/
Em 2026, o mercado de válvulas solenoides dos EUA será definido pela Manufa...
2026
/
A escolha da válvula correta é vital para a eficiência do sistema. Uma esco...
2026
/
Uma válvula solenoide é um interruptor eletromecânico usado para controlar ...
2026
/
O cenário do controle de fluidos está mudando rapidamente. Na era da Intern...

MENSAGEM