Top 10 Mini Motorized Valve Suppliers in the USA (2026 Updated)
The landscape of fluid control is changing fast. In the era of the Industri...
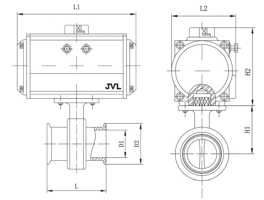
Pneumatic sanitary butterfly valve has three connection methods: external thread connection, welding and clamp connection, which is convenient for customer's on-site installation. Pneumatic hygienic butterfly valves are often used in places with high sanitation requirements, and are widely used in process control occasions such as food, pharmaceuticals, cosmetics, clean steam, alcohol, beverages, and biochemical industries.
| Body | Valve Components | ![]() |
||
| Nominal Size | DN15~DN100 | Seat Material |
PTFE:-30°C~180°C PPL:-30°C~250°C |
|
| Body Material | SS304,SS316,SS316L | Disc Material | SS304,SS316,SS316L SS304 | |
| Connection Type | Clamp,Welding | Stem Material | SS304 | |
| Pressure Rating | PN1.6MPa | Design Standard | ISO,DIN,IDF,SMS,3A | |
| Structure Type | Midline Structure | Applicable Medium |
Food,Medicine,Packing Machinery,Filling Machinery And Other Health Conditions Using Level |
|

|
Pipe OD |
IN |
D1 |
D2 |
L |
H1 |
L1 |
L2 |
H2 |
Actuator Model |
|
19 |
3/4" |
16.1 |
50.5 |
66 |
68 |
153.7/172.4 |
72.5/83 |
92.3/110.7 |
HPA052DA/HPA063SR |
|
25.4 |
1" |
22.4 |
50.5 |
66 |
68 |
153.7/172.4 |
72.5/83 |
92.3/110.7 |
HPA052DA/HPA063SR |
|
31.8 |
1 1/4" |
28.8 |
50.5 |
66 |
68 |
153.7/172.4 |
72.5/83 |
92.3/110.7 |
HPA052DA/HPA063SR |
|
38.1 |
1 1/2" |
35.1 |
50.5 |
66 |
72 |
153.7/172.4 |
72.5/83 |
92.3/110.7 |
HPA052DA/HPA063SR |
|
45 |
1 1/2" |
42 |
64 |
70 |
74 |
153.7/172.4 |
72.5/83 |
92.3/110.7 |
HPA052DA/HPA063SR |
|
50.8 |
2" |
47.8 |
64 |
72 |
79 |
153.7/172.4 |
72.5/83 |
92.3/110.7 |
HPA052DA/HPA063SR |
|
57 |
2 1/4" |
53 |
77 |
76 |
83 |
172.4/188.3 |
83/95.5 |
110.7/121 |
HPA063DA/HPA075SR |
|
63.5 |
2 1/2" |
59.5 |
77 |
76 |
86 |
172.4/188.3 |
83/95.5 |
110.7/121 |
HPA063DA/HPA075SR |
|
76.2 |
3" |
72.2 |
91 |
76 |
96 |
188.3/215 |
95.5/103.5 |
121/128 |
HPA075DA/HPA083SR |
|
89 |
3 1/2" |
85 |
106 |
84 |
102 |
188.3/215 |
95.5/103.5 |
121/128 |
HPA075DA/HPA083SR |
|
101.6 |
4" |
97.6 |
119 |
90 |
110 |
215/248.5 |
103.5/108 |
121/136.2 |
HPA083DA/HPA092SR |
|
108 |
4" |
104 |
119 |
90 |
112 |
215/248.5 |
103.5/108 |
121/136.2 |
HPA083DA/HPA092SR |
|
114 |
4" |
110 |
130 |
106 |
112 |
215/248.5 |
103.5/108 |
121/136.2 |
HPA083DA/HPA092SR |
|
133 |
5" |
128 |
145 |
104 |
128 |
248.5/277.5 |
108/121.5 |
136.2/154.5 |
HPA092DA/HPA105SR |
|
159 |
6" |
153.5 |
183 |
110 |
147 |
277.5/358.3 |
121.5/142 |
154.5/187.6 |
HPA105DA/HPA125SR |
|
219 |
8" |
214 |
233.5 |
114 |
183 |
277.5/358.3 |
121.5/142 |
154.5/187.6 |
HPA105DA/HPA125SR |
|
273 |
10" |
267 |
286 |
142 |
257 |
358.3/403.6 |
142/151 |
187.6/204.7 |
HPA125DA/HPA140SR |
| Double Acting | Air to open,air to close,air supplier failure to keep the current position |
| Single Acting N/C | Air to open,interrupt air to close,air failure to close |
| Single Acting N/O | Air to close,interrupt air to open,air failure to open |
| Optional Accessory | Reversing solenoid valve,limit switch box,air filter reducing valve, positioner,handle manual,lock up valve |




2026
/
The landscape of fluid control is changing fast. In the era of the Industri...
2026
/
If you need reliable and compact fluid control, you have probably realized ...
2026
/
Modern piping is changing fast. Automation is now replacing manual valves i...
2026
/
In the industrial landscape of 2026, the demand for precision flow control ...
GET A QUOTE