Top 10 Mini Motorized Valve Suppliers in the USA (2026 Updated)
The landscape of fluid control is changing fast. In the era of the Industri...
|
No. |
Part Name |
Material |
|
|
1 |
Valve Body |
WCB/Stainless Steel |
|
|
2 |
Valve Bonnet |
WCB/Stainless Steel |
|
|
3 |
Valve Seat |
PTFE/Nylon/PPL |
|
|
4 |
Gasket |
PTFE/Graphite Metal Composite Pad |
|
|
5 |
Ball |
Stainless Steel |
|
|
6 |
Bolt |
B7/Stainless Steel |
|
|
7 |
Nut |
2H/Stainless Steel |
|
|
8 |
Anti - Static Device |
Stainless Steel |
|
|
9 |
Valve Stem |
410/Stainless Steel |
|
|
10 |
Thrust Washer |
Stainless Steel |
|
|
11 |
O - Ring |
PTFE |
|
|
12 |
Packing |
PTFE/Flexible Graphite |
|
|
13 |
Gland |
WCB/Stainless Steel |
|
|
14 |
Hexagon Head Screw |
2H/Stainless Steel |
|
|
15 |
Solenoid Valve |
Aluminum Alloy |
|
|
16 |
Pneumatic Actuator |
Aluminum Alloy |
|
|
17 |
Air Filter |
Aluminum Alloy + PC |
|
|
18 |
Limit Switch Box |
Aluminum Alloy |

|
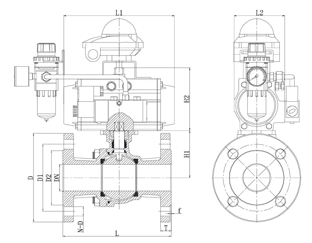
DN |
IN |
L |
L1 |
L2 |
H1 |
H2 |
D |
D1 |
D2 |
T |
f |
n-d |
Actuator Model |
|
15 |
1/2" |
130 |
153.7/153.7 |
72.5/72.5 |
48 |
92.3/92.3 |
95 |
65 |
45 |
16 |
2 |
4-14 |
HPA052DA/HPA052SR |
|
20 |
3/4" |
130 |
153.7/172.4 |
72.5/83 |
53 |
92.3/110.7 |
105 |
75 |
58 |
16 |
2 |
4-14 |
HPA052DA/HPA063SR |
|
25 |
1" |
140 |
153.7/188.3 |
72.5/95.5 |
58.5 |
92.3/121 |
115 |
85 |
68 |
18 |
2 |
4-14 |
HPA052DA/HPA075SR |
|
32 |
1 1/4" |
165 |
172.4/188.3 |
83/95.5 |
71 |
110.7/121 |
140 |
100 |
78 |
18 |
2 |
4-18 |
HPA063DA/HPA075SR |
|
40 |
1 1/2" |
165 |
188.3/215 |
95.5/103.5 |
76 |
121/128 |
150 |
110 |
88 |
18 |
2 |
4-18 |
HPA075DA/HPA083SR |
|
50 |
2" |
203 |
215/248.5 |
103.5/108 |
85 |
121/136.2 |
165 |
125 |
102 |
18 |
2 |
4-18 |
HPA083DA/HPA092SR |
|
65 |
2 1/2" |
222 |
248.5/277.5 |
108/121.5 |
101.5 |
136.2/154.5 |
185 |
145 |
122 |
18 |
2 |
8-18 |
HPA092DA/HPA105SR |
|
80 |
3" |
241 |
277.5/358.3 |
121.5/142 |
111.5 |
154.5/187.6 |
200 |
160 |
138 |
20 |
2 |
8-18 |
HPA105DA/HPA125SR |
|
100 |
4" |
305 |
358.3/403.6 |
142/151 |
146 |
187.6/204.7 |
220 |
180 |
158 |
20 |
2 |
8-18 |
HPA125DA/HPA140SR |
|
125 |
5" |
325 |
468.4/523.5 |
174/206 |
183 |
230/262 |
250 |
210 |
188 |
19 |
3 |
8-18 |
HPA160DA/HPA190SR |
|
150 |
6" |
350 |
523.5/539 |
206/226 |
202 |
262/287.6 |
285 |
240 |
212 |
19 |
3 |
8-22 |
HPA190DA/HPA210SR |
|
200 |
8" |
400 |
539/605.8 |
226/260 |
253 |
287.6/319.5 |
340 |
295 |
268 |
21 |
3 |
12-22 |
HPA210DA/HPA240SR |




2026
/
The landscape of fluid control is changing fast. In the era of the Industri...
2026
/
If you need reliable and compact fluid control, you have probably realized ...
2026
/
Modern piping is changing fast. Automation is now replacing manual valves i...
2026
/
In the industrial landscape of 2026, the demand for precision flow control ...
GET A QUOTE